Module 10.5 Microwave Transistor Amplifier Design
Upload The Transistor Sparameter.s2p file
|
File is uploaded successfully. Click here to show the data.
Plot the Sparameter
Design the microwave amplifer at
GHz
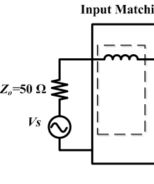
Design the Input matching network
Shunt L
Shunt C
Series L
Series C
Series TL
Shunt Open Stub
Shunt Short Stub
Shunt L
Shunt C
Series L
Series C
Series TL
Shunt Open Stub
Shunt Short Stub
Design the Output matching network
Shunt L
Shunt C
Series L
Series C
Series TL
Shunt Open Stub
Shunt Short Stub
Shunt L
Shunt C
Series L
Series C
Series TL
Shunt Open Stub
Shunt Short Stub
Transducer power gain, dB(S(2,1))
Input return loss, dB(S(1,1))
Input return loss, dB(S(2,2))
Pl `"top"/"bottom"`